Перейти к содержанию
  • Регистрация

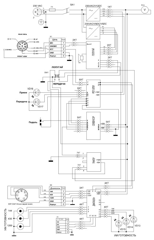
БЛОК УПРАВЛЕНИЯ ДЛЯ ТРАНСИВЕРА KENWOOD TS-790


Рекомендуемые сообщения

Опубликовано

БЛОК УПРАВЛЕНИЯ ДЛЯ ТРАНСИВЕРА

KENWOOD TS-790

 

Untitled-1.thumb.jpg.b0ca51aa84cf218f6a8b44ee91145d55.jpg

 

АВТОМАТИЧЕСКИЙ ВЫБОР ДИАПАЗОНА

СЕКВЕНСОР УПРАВЛЕНИЯ МШУ/УМ/ ТХ

«ПОПУГАЙ», - СООБЩЕНИЕ ДО 10 СЕК.

АВТОМАТИЧЕСКОЕ ПЕРЕКЛЮЧЕНИЕ «ПРИЕМ» - «ПЕРЕДАЧА»

ВСТРОЕННЫЙ ТЕМБРОБЛОК МИКРОФОНА

СКВОЗНОЙ КАНАЛ МИКРОФОНА

ГАЛЬВАНИЧЕСКАЯ РАЗВЯЗКА МИКРОФОННОГО ВХОДА ТРАНСИВЕРА

АВТОМАТИЧЕСКОЕ/РУЧНОЕ УПРАВЛЕНИЕ МШУ

 

1705447121_.thumb.JPG.36f4a2590ccc040ffce6272482e0a69c.JPG

Опубликовано

Да, Дмитрий прикольная вещица!! И изготовлена просто класс!

Как у тебя руки до всего доходят?

Конечно, нехватка времени - эта отговорка не "канает" - просто тупо проволынил всю зиму - а зимы у нас ой какие короткие!

А завтра ехать в поле - и давай за день, два все паять....а то и в поле допаивать....вот так и живем!

Спасибо за публикацию!

73!

×
×
  • Создать...